概 述
TTP119 是一款使用電容式感應原理設計的觸摸IC,提供穩定的“觸摸按鍵”檢測效
果可以廣泛的滿足不同的應用需求且可在有介質隔離保護的情況下實現觸摸功能,安全
性高(如玻璃,壓克力等材質)。此觸摸檢晶片是專為取代傳統按鍵而設計,觸摸檢測
PAD 的大小可依不同的靈敏度設計在合理的範圍內,低功耗與寬工作電壓,是此觸摸
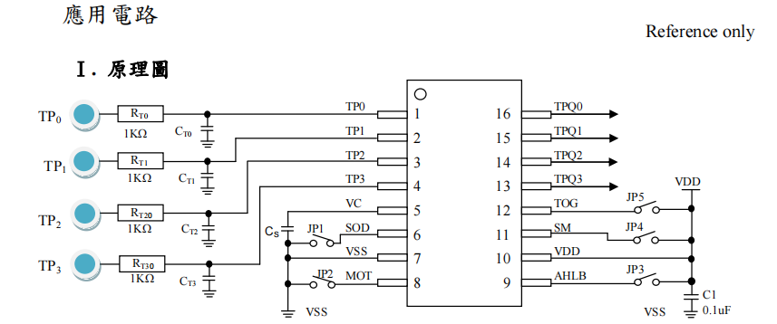
晶片可在DC或AC應用上的特性,電源及手機干擾特性好。提供4個通道觸摸輸入埠及4
個直接輸出埠。
特 點
?
工作電壓 2.4~5.5V
?
待機模式工作電流 (無負載)
@VDD=3.3V, 典型值 7uA,最大值 14uA。
@VDD=5.0V,典型值 14uA,最大值 28uA。
?
可靠的上電復位(POR)及低電壓復位功能(LVR)
?
觸摸輸出響應時間(最小值) @VDD=5.0V
@偵測模式下時間為 48ms。
@待機模式下時間為 160ms。
?
通道靈敏度調整方法有兩種
(1) 可以由外部一個電容(CS)統一進行調節(CS:1~47nF)
(2) 各通道獨立外部一個電容(CTX)進行調整(CTX: 1~50pF)
?
提供直接輸出模式、鎖存模式、開漏輸出模式,CMOS 高電平有效或低電平有效輸
出模式,經由 TOG /SOD/AHLB 埠選擇。
?
提供 SM 埠選擇多鍵或單鍵有效輸出模式。
?
提供 MOT 埠選擇有效鍵最長輸出時間:無窮大/16 秒
?
自動校準功能
剛上電的 4.0 秒內約 62.5 毫秒刷新一次參考值,若在上電後的 4.0 秒內有觸摸按鍵
或 4.0 秒後仍未觸摸按鍵,則重新校準週期切換時間約為 1.0 秒。
應用範圍
?
各種消費性產品
?
取代按鈕按鍵
XZ%25[ABQ%25OR%7DB_QRWG.png)






